欢迎光临卡尼尔▪南方泵业品牌官网!水泵型号参数齐全 在线便捷选型 网站地图 | 百度地图 |
南方泵业在线选型平台

正品保证,工厂直发,全国联保,上门服务

全国咨询热线4008-821-931
您的位置: 南方泵业 > 在线选型 > 液下泵 > CDLK(50Hz) > CDLK42-90/9-2
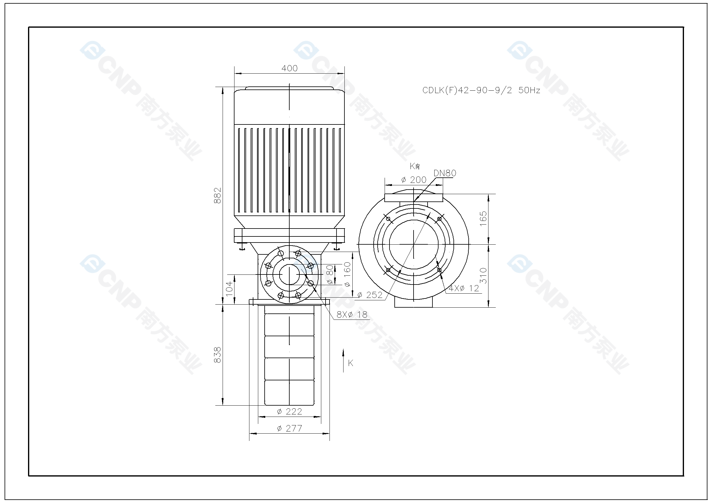
南方泵业CDLK42-90/9-2水泵明细参数
CDLK42-90/9-2 参数
  • 额定流量 m³/h:42
  • 额定扬程 m:174
  • 额定效率 %:71
  • 额定功率 kw:28
  • 额定转速 rpm:2900
  • 叶轮级数:9
  • 泵转速:2900
  • 电机功率 kw:30
  • 额定电流 A:54.9
  • 重量 kg:295
上一个:CDLK42-80/8 下一个:CDLK42-90/9
在线询价
销售咨询
昆山卡尼尔工业设备有限公司
技术咨询
昆山卡尼尔工业设备有限公司
服务热线

服务热线

4008-821-931

返回顶部